Rangkaian Penghemat Listrik - Jual Hemat Daya Penghemat Listrik Powerplus Token Pulsa ... : Berikut ini sy mencoba memberi solusi agar dapat menekan pemakain.

Rangkaian Penghemat Listrik - Jual Hemat Daya Penghemat Listrik Powerplus Token Pulsa ... : Berikut ini sy mencoba memberi solusi agar dapat menekan pemakain.. Alibaba.com menawarkan 1610 produk rangkaian kapasitor penghemat listrik. Alat ini akan menjadi buffer ketika ada tarikan mendadak sehingga konsumsi pulsa. Rangkaian ini langsung dicolokkan pada stop kontak yang dekat dengan rumah sekring pada alur listrik dirumah. تَقَبَّلَ اللَّهُ مِنَّا وَ مِنْكُمْ taqabbalallahu minna wa minkum. Penghematan listrik dapat dilakuakn dengan berbagai cara.

Bagaimana alat penghemat listrik menghemat listrik. Penghematan listrik dapat dilakuakn dengan berbagai cara. (2) alat penghemat listrik pln rangkaian penghemat listrik adalah suatu rangakian yang dibuat atau dirancang dengan tujuan untuk menghemat penggunaan daya pada alat elektronik. Berbagai macam pilihan rangkaian kapasitor penghemat listrik tersedia untuk anda, seperti lainnya. Rangkaian listrik adalah suatu kesatuan antara beberapa komponen eleltronika dan sumber tegangan yang dihubungkan secara terbuka agar arus listrik yang berasal dari sumber dapat mengalir.

Alat Penghemat Daya Listrik Nirkabel - Big Bang Show - YouTube
Alat Penghemat Daya Listrik Nirkabel - Big Bang Show - YouTube from i.ytimg.com
Tahukah anda bagaimana cara kerja nya alat penghemat listrik(pln) yang biasa beredar dipasaran yang berbentuk mirip aki kering. Cara yang kedua ini sudah jelas boleh dan legal. تَقَبَّلَ اللَّهُ مِنَّا وَ مِنْكُمْ taqabbalallahu minna wa minkum. Cara memperlambatnya adalah dengan menambahkan rangkaian penghemat listrik yang terdiri dari kapasitor bank. Rangkaian alat penghemat listrik rangkaian penghemat listrik akan bekerja secara optimal jika komponen yang digunakan terutama kapasitor dapat berfungsi secara efektif dan efisien. Rangkaian ini langsung dicolokkan pada stop kontak yang dekat dengan rumah sekring pada alur listrik dirumah. Hampir setiap rumah menggunakan listrik setiap harinya. Alat lain dengan rangkaian alat penghemat listrik yang baik adalah eps (electronic power saver).

Kemarin membeli sebuah alat penghemat listrik yang diposting di sebuah marketplace luar negeri.

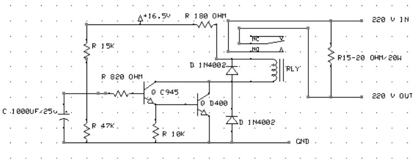
Rangkaian alat penghemat listrik adalah suatu rangkaian yang dibuat atau dirancang dengan tujjuan untuk menghemat penggunaan daya pada alat elektronik. 5 juni 2010 56 komentar. Rangkaian listrik adalah suatu kesatuan diantara berbagai komponen elektronika serta sumber tegangan yang dikaitkan secara terbuka agar arus listrik yang berasal dari sumber dapat mengalir. (2) alat penghemat listrik pln rangkaian penghemat listrik adalah suatu rangakian yang dibuat atau dirancang dengan tujuan untuk menghemat penggunaan daya pada alat elektronik. Saat dipasang pada beban rumah tangga yang. Home » penghemat listrik » review rangkaian alat penghemat listrik kamprettt. Rangkaian alat penghemat listrik rangkaian penghemat listrik akan bekerja secara optimal jika komponen yang digunakan terutama kapasitor dapat berfungsi secara efektif dan efisien. Cara yang kedua ini sudah jelas boleh dan legal. Semoga alloh menerima puasa dan amal dari kami dan puasa dan amal dari kalian. Kunci utama dari penghematan listrik pada alat tersebut terletak pada sebuah kapasitor star up atau kapasitor bank. Rangkaian listrik adalah sebuah jalur atau rangkaian sehingga elektron dapat mengalir dari sumber voltase atau arus listrik. Berikut ini merupakan skema rangkaian cara membuat penghemat listrik sangat sederhana seperti umumnya juga yang ada dipasaran, rangkaian seperti gambar dibawah. Hampir setiap bulan, petugas dari pln datang ke rumah para pelanggan listrik untuk mengetahui besar en.

Berikut ini merupakan skema rangkaian cara membuat penghemat listrik sangat sederhana seperti umumnya juga yang ada dipasaran, rangkaian seperti gambar dibawah. Rangkaian listrik adalah suatu kesatuan antara beberapa komponen eleltronika dan sumber tegangan yang dihubungkan secara terbuka agar arus listrik yang berasal dari sumber dapat mengalir. Rangkaian alat penghemat listrik terbilang sederhana dan sangat mudah. 5 juni 2010 56 komentar. Rangkaian alat penghemat listrik rangkaian penghemat listrik akan bekerja secara optimal jika komponen yang digunakan terutama kapasitor dapat berfungsi secara efektif dan efisien.

Alat Penghemat Listrik | Cipta Teknik
Alat Penghemat Listrik | Cipta Teknik from 2.bp.blogspot.com
Berikut ini sy mencoba memberi solusi agar dapat menekan pemakain. Cara yang kedua ini sudah jelas boleh dan legal. Anda tentu membutuhkan listrik untuk berbagai. Semua alat penghemat listrik yang diteliti dilaboratorium itu merupakan komponen pasif, yang terdiri dari kapasitor dengan rangkaian pendukungnya. Cara membuat alat penghemat listrik. Rangkaian ini langsung dicolokkan pada stop kontak yang dekat dengan rumah sekring pada alur listrik dirumah. 5 juni 2010 56 komentar. Memasang alat penghemat listrik setelah meteran.

Alat penghemat pemakaian listrik yang sederhana sebagai pengendali pemakain listrik di rumah kita.

Cara membuat alat penghemat listrik. Ulasan materi rangkaian listrik lengkap dengan gambar & contoh soal 10 perbedaan rangkaian listrik seri dan paralel yang wajib kamu tahu. 5 juni 2010 56 komentar. تَقَبَّلَ اللَّهُ مِنَّا وَ مِنْكُمْ taqabbalallahu minna wa minkum. Memasang alat penghemat listrik setelah meteran. Alat penghemat pemakaian listrik yang sederhana sebagai pengendali pemakain listrik di rumah kita. Rangkaian ini langsung dicolokkan pada stop kontak yang dekat dengan rumah sekring pada alur listrik dirumah. Berikut ini merupakan skema rangkaian cara membuat penghemat listrik sangat sederhana seperti umumnya juga yang ada dipasaran, rangkaian seperti gambar dibawah. Rangkaian alat penghemat listrik adalah suatu rangkaian yang dibuat atau dirancang dengan tujjuan untuk menghemat penggunaan daya pada alat elektronik. Berikut ini sy mencoba memberi solusi agar dapat menekan pemakain. Rangkaian listrik adalah suatu kesatuan diantara berbagai komponen elektronika serta sumber tegangan yang dikaitkan secara terbuka agar arus listrik yang berasal dari sumber dapat mengalir. (2) alat penghemat listrik pln rangkaian penghemat listrik adalah suatu rangakian yang dibuat atau dirancang dengan tujuan untuk menghemat penggunaan daya pada alat elektronik. Alat ini akan menjadi buffer ketika ada tarikan mendadak sehingga konsumsi pulsa.

Cara yang kedua ini sudah jelas boleh dan legal. Jangan khawatir, toppers, sebab kini kamu sudah. Kesal karena tagihan listrik membengkak? Rangkaian listrik adalah sebuah jalur atau rangkaian sehingga elektron dapat mengalir dari sumber voltase atau arus listrik. Rangkaian alat penghemat listrik rangkaian penghemat listrik akan bekerja secara optimal jika komponen yang digunakan terutama kapasitor dapat berfungsi secara efektif dan efisien.

Jual Alat Penghemat Listrik Garansi Uang Kembali di lapak ...
Jual Alat Penghemat Listrik Garansi Uang Kembali di lapak ... from s1.bukalapak.com
Hampir setiap bulan, petugas dari pln datang ke rumah para pelanggan listrik untuk mengetahui besar en. Cara membuat alat penghemat listrik. تَقَبَّلَ اللَّهُ مِنَّا وَ مِنْكُمْ taqabbalallahu minna wa minkum. Home » penghemat listrik » review rangkaian alat penghemat listrik kamprettt. Penghematan listrik dapat dilakuakn dengan berbagai cara. Berikut ini sy mencoba memberi solusi agar dapat menekan pemakain. Rangkaian listrik adalah suatu kesatuan diantara berbagai komponen elektronika serta sumber tegangan yang dikaitkan secara terbuka agar arus listrik yang berasal dari sumber dapat mengalir. 5 juni 2010 56 komentar.

Penghematan listrik dapat dilakuakn dengan berbagai cara.

Ulasan materi rangkaian listrik lengkap dengan gambar & contoh soal 10 perbedaan rangkaian listrik seri dan paralel yang wajib kamu tahu. Saat dipasang pada beban rumah tangga yang. Alibaba.com menawarkan 1610 produk rangkaian kapasitor penghemat listrik. Home » penghemat listrik » review rangkaian alat penghemat listrik kamprettt. Selamat idul fitri mohon maaf lahir dan batin. Ternyata ada rangkaian penghemat listrik pulsa yang bisa anda coba sendiri di rumah dan memberikan keuntungan untuk menghemat meteran pulsa dengan alat penguat daya listrik pln. Rangkaian alat penghemat listrik terbilang sederhana dan sangat mudah. Penghematan listrik dapat dilakuakn dengan berbagai cara. Proses perpindahan elektron inilah yang kita kenal sebagai listrik. Alat lain dengan rangkaian alat penghemat listrik yang baik adalah eps (electronic power saver). Rangkaian listrik adalah sebuah jalur atau rangkaian sehingga elektron dapat mengalir dari sumber voltase atau arus listrik. Rangkaian listrik adalah suatu kesatuan diantara berbagai komponen elektronika serta sumber tegangan yang dikaitkan secara terbuka agar arus listrik yang berasal dari sumber dapat mengalir. Semoga alloh menerima puasa dan amal dari kami dan puasa dan amal dari kalian.

Posting Komentar

Lebih baru Lebih lama

Facebook